FREE REPAIR MANUALS & LABOR GUIDES 1982-2013 Vehicles
Courtesy of Operation CHARM
:
Car repair manuals for everyone.
Home
>>
Cadillac
>>
1999
>>
Seville STS V8-4.6L VIN 9
>>
Repair and Diagnosis
>>
Diagrams
>>
Components
>>
Miscellaneous Components
>>
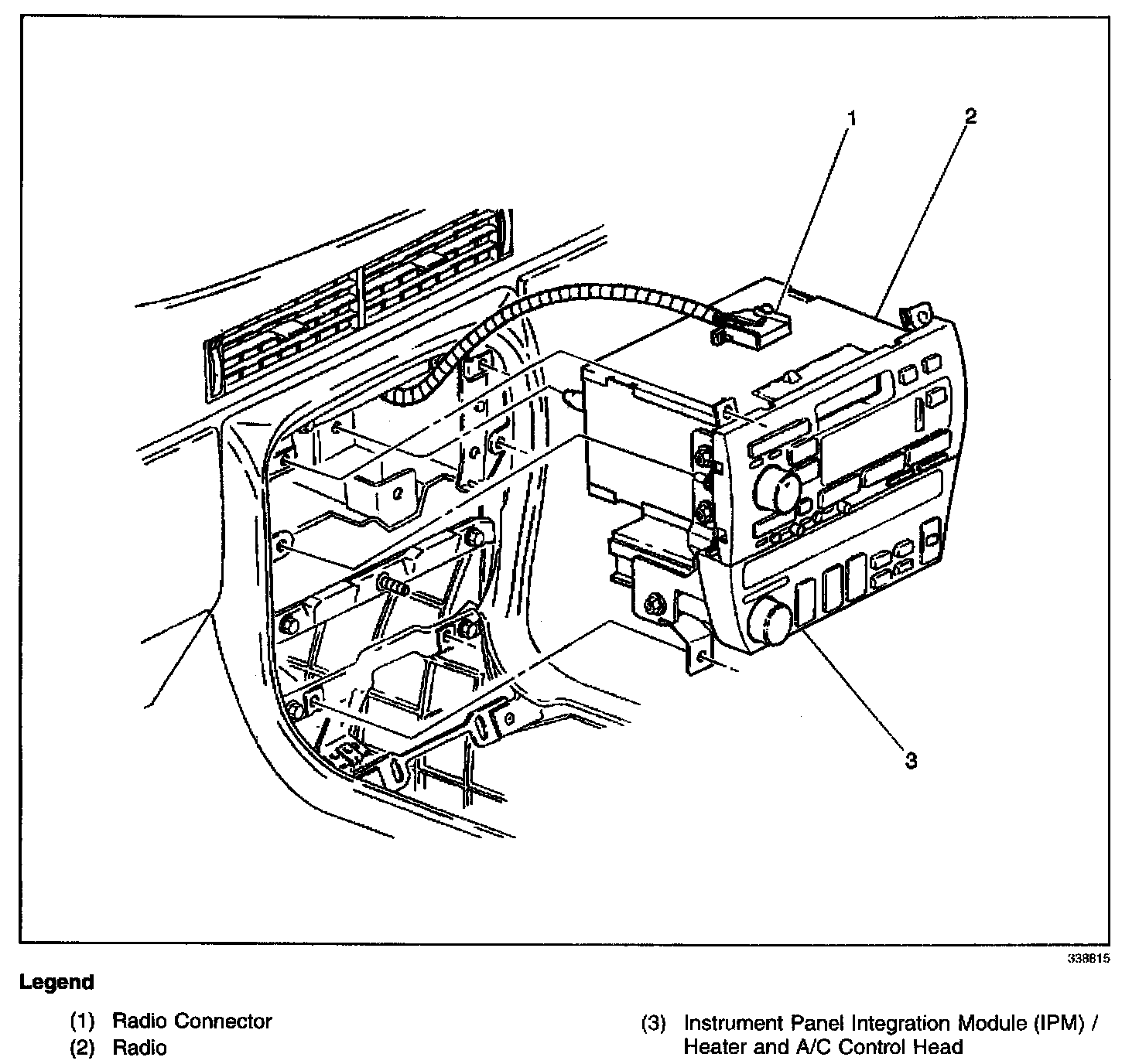
IP Integration Module (Ipm)/Heater & A/C Control Head
IP Integration Module (Ipm)/Heater & A/C Control Head
Locations View: