FREE REPAIR MANUALS & LABOR GUIDES 1982-2013 Vehicles
Courtesy of Operation CHARM
:
Car repair manuals for everyone.
Home
>>
Buick Truck
>>
2006
>>
Terraza AWD V6-3.9L VIN 1
>>
Repair and Diagnosis
>>
Heating and Air Conditioning
>>
Control Assembly
>>
Locations
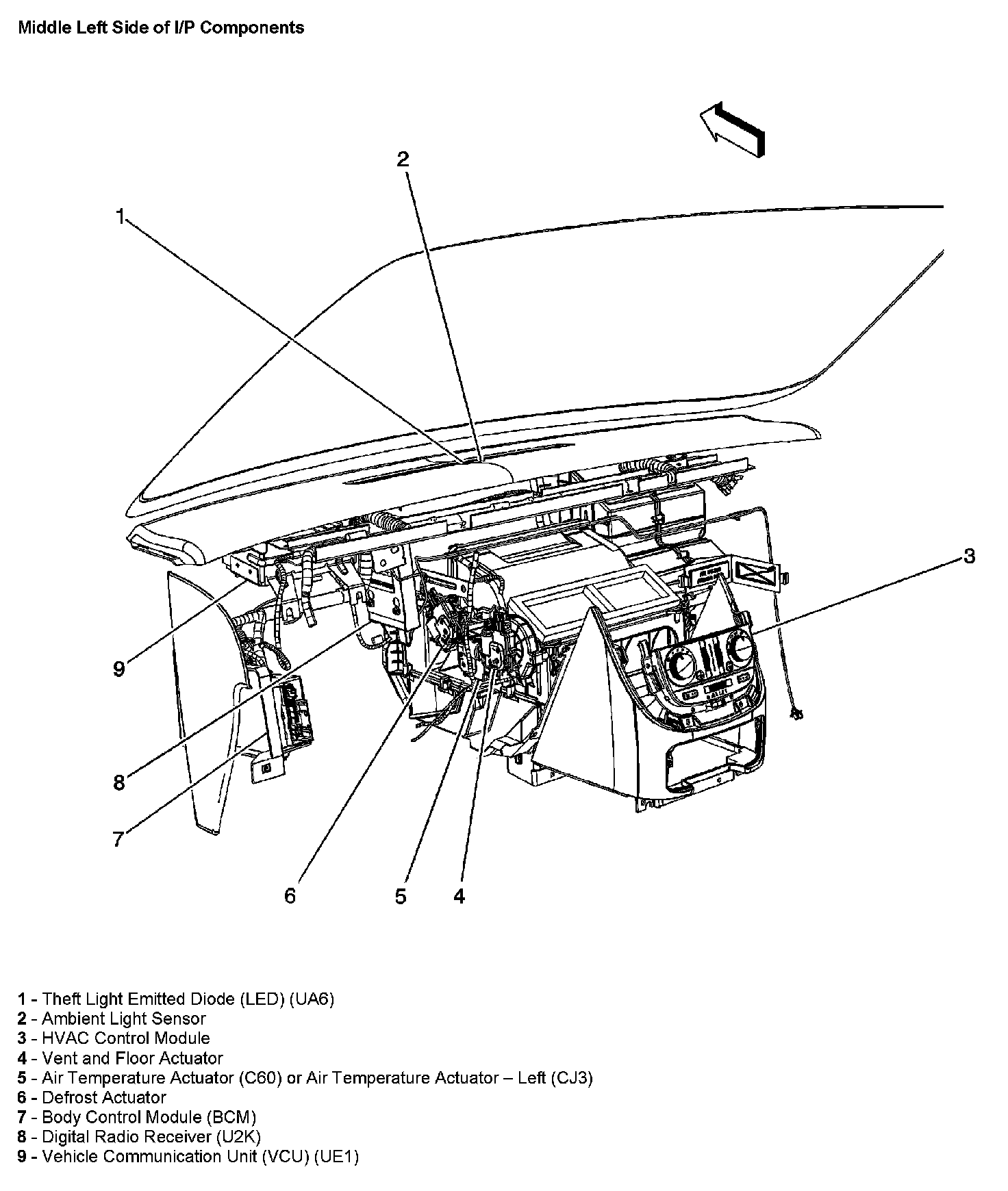
Control Assembly: Locations
Middle Left Side Of I/P Components: