FREE REPAIR MANUALS & LABOR GUIDES 1982-2013 Vehicles
Courtesy of Operation CHARM: Car repair manuals for everyone.

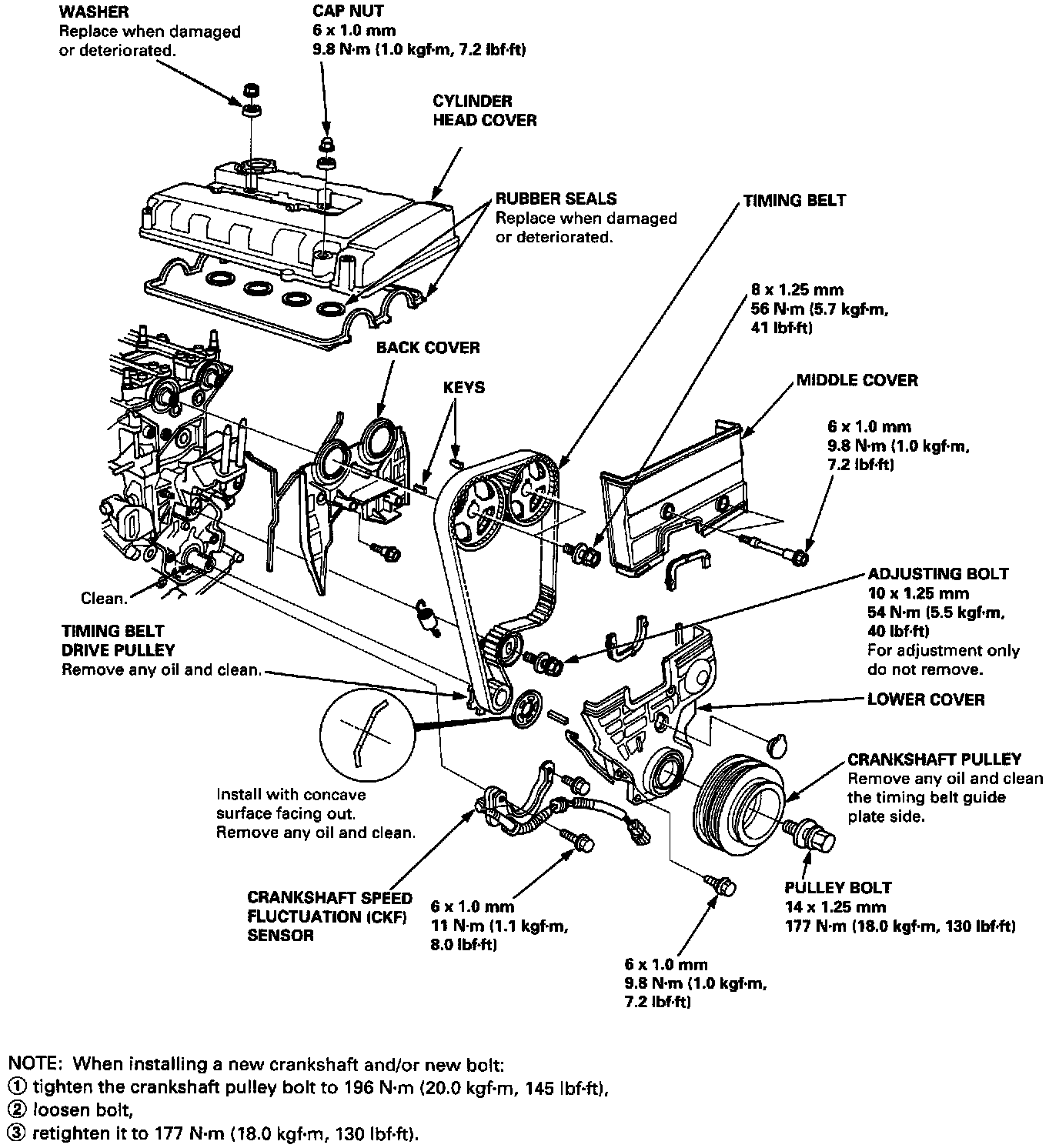
Timing Belt

NOTE:
- Refer to positioning crankshaft and pulley before installing belt.
- Mark the direction of rotation on the belt before removing.
- Replace the rubber seals if there is oil leakage between the cylinder head and cover.
- Do not use the middle cover and lower cover for storing removed items.
- Clean the middle cover and lower cover before installation.

Timing Components:





NOTE: When installing a new crankshaft and/or new bolt:
(1) tighten the crankshaft pulley bolt to 196 Nm (20.0 kgf.m, 145 ft. lbs.).
(2) loosen bolt,
(3) retighten it to 177 Nm (18.0 kgf.m, 130 ft. lbs.).